产品中心
首页
公司简介
公司简介
企业文化
领导致词
生产设备
企业荣誉
产品中心
全部产品
温湿度控制器
智能除湿装置
智能操控&开关状态
线路故障指示仪
高压带电显示器
数显电力仪表
微机保护装置
智能温度控制器万能输入
电磁锁
加热器
照明灯
高压传感器
新闻动态
公司新闻
行业新闻
产品知识
联系我们
留言中心
营销网络
联系我们
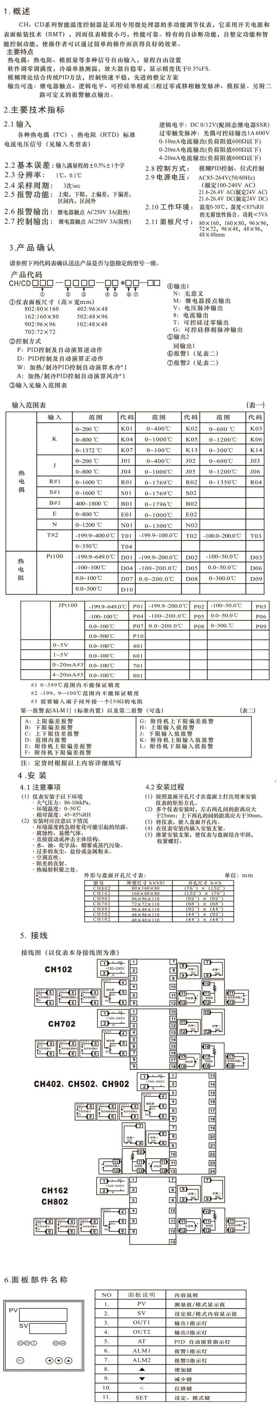
CH、CD系列温控器
产品描述
上一篇:
CAP-500微机保护装置
下一篇:
AMY
首页
产品
动态
联系
关于我们
业务咨询
公司位置